US Digital HUBDISK-1 1英寸透射式旋转编码盘,US Digital编码器代理

US Digital HUBDISK-1 1英寸透射式旋转编码盘,US Digital编码器代理

US Digital HUBDISK-1 特点:

US Digital HUBDISK-1 产品说明:

有害物质限制(RoHS)
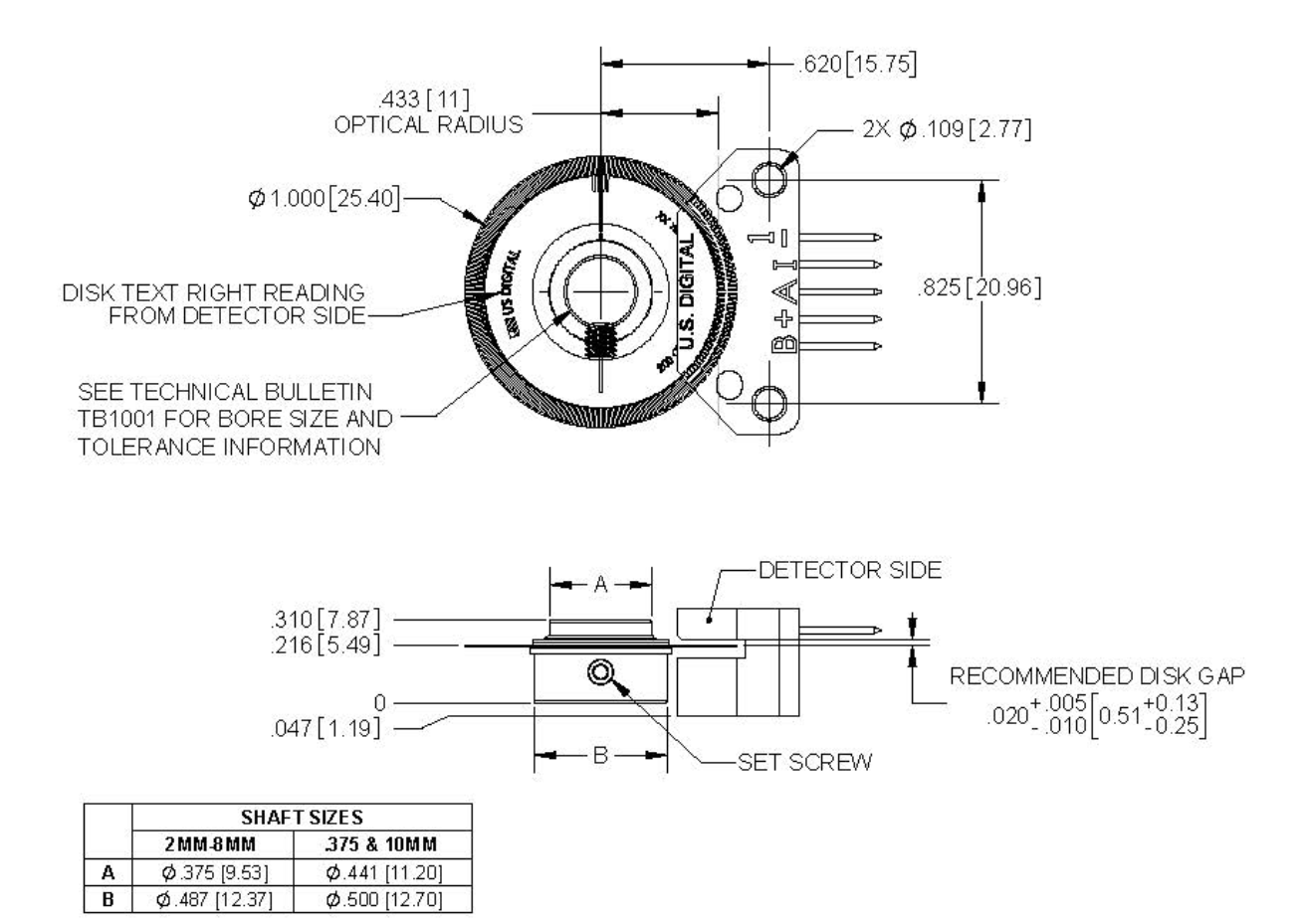
US Digital 提供多种标准的 HubDisk 组件光学编码盘与铝制轮毂组合),便于安装到轴上。编码盘也可单独订购。旋转编码盘由厚度为 0.007英寸的 Mylar 聚酯薄膜 制成,材料可承受 -40°C 至 100°C 的温度范围。
在 HubDisk 组件中,当编码盘文字为正向可读时,其乳胶层位于上方。HUBDISK-1精密加工的铝制轮毂直径1英寸的光学编码盘(DISK-1) 组合而成。
通过一个 0.050英寸的平面紧定螺钉 将轮毂固定在轴上。该 HubDisk 组件可提供 2mm 至 10mm 的轴孔直径选择。所有 HubDisk 组件的轴孔尺寸均严格遵循 US Digital 技术公告《轴与孔公差说明》(TB1001) 的要求。

US Digital HUBDISK-1图纸:

 


Related posts