US Digital E4T微型电机编码器,US Digital编码器进口代理
US Digital E4T 特点:
套件版本,可安装在电机或其他轴上
支持 11 种轴径尺寸(2 至 6 mm 及 1/8 至 1/4 英寸)
适用于 NEMA 8 至 17 及更大规格电机
单端输出或可选差分输出
提供 2 种底座样式 和 盖板选择
推入式轮毂,便于快速安装
高保持力连接器/电缆(单独销售)
有害物质限制(RoHS)
US Digital 的 E4T 微型电机编码器可直接安装在电机或其他旋转轴上。
该增量式编码器使用 精密加工铝制轮毂上的特殊图案光学编码盘。
该编码盘与定制检测器配合使用,使系统 对机械对齐误差具有高度容忍性。
推入式轮毂设计和坚固的 玻璃纤维增强聚合物外壳,便于在空间有限的应用中快速安装。
E4T 微型电机编码器提供 19 种分辨率,兼容 11 种轴径尺寸、2 种底座配置和 2 种盖板样式,可适应广泛的应用需求。
用户可选择 单端输出或差分输出。
该光学编码器设计用于 高保持力连接器。在产品配置器中完成每项选择后,下方将显示兼容的电缆和连接器,需单独购买。
注意:由于 E4T 采用 推入式轮毂设计,建议仅用于 一次性安装。
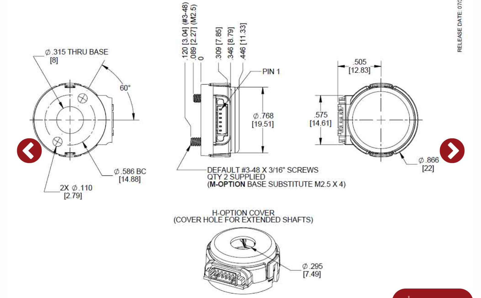
US Digital E4T图纸:


https://www.bihec.com/us-digital/US Digital E4T微型电机编码器,US Digital编码器进口代理/
