代理H2W Technologies STS-0620-RN线性步进电机

代理H2W Technologies STS-0620-RN线性步进电机

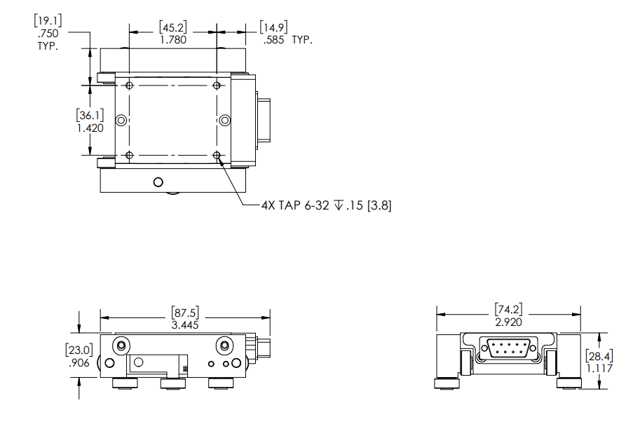
H2W Technologies  STS-0620-RN 是一种两相单轴线性步进电机,产生的连续力为 6.0 磅 [26.7 牛]。它由精密滚珠轴承在压板上导引。滚珠轴承还帮助保持所需的电机空气间隙。电机的电源通过一个 9 针 D-Sub 雄连接器提供。在磁铁的顶部有安装孔,以便安装有效载荷。这还是 Northern Magnetics P/N 1302-2-B3 的替代电机。Baldor Motors P/N LMSS1302-2WW1 或 SQ0005A00。

轴承类型滚轴
强迫质量0.62 磅279克
滚筒质量0.28 磅/英寸5.0 克/毫米
# 阶段2
电阻 @ 20摄氏度2.4 欧姆
电感 @ 20C3.0 mH
电气时间常数1.3 毫秒
力量6.0 磅26.7 N
当前2.0 安培
强制长度3.5 英寸87.6 毫米
强制宽度2.9 英寸74.2 毫米
强制高度0.87 英寸22.1 毫米

H2W Technologies STS-0620-RN线性步进电机尺寸规格:


该磁铁设计用于一个 1.96 英寸 [49.8 毫米] 宽、0.48 英寸 [12.2 毫米] 厚的阶形压板上。压板型号:STP-20-XXX-R。

H2W Technologies线性步进电机非常适合带有轻负载的开环定位应用。它们可以以高达80英寸/秒 [2米/秒] 的速度运行,并且行程可以达到144英寸 [3.6米]。当与微步驱动器和索引器结合时,线性步进电机能够实现非常精确的位置、速度和加速度控制。

短移动组件称为“推杆”,由滚珠或空气轴承沿着精磨的轨道“平板”引导。轴承设计用于支持客户的负载,并保持平板和推杆之间所需的0.001英寸 [0.025毫米] 的间隙。

微步驱动器的步进和方向信号通过一根电源线提供给两相或四相驱动器。通过全步移动实现的位移是.010英寸[250微米],通过微步移动实现的位移是.00004英寸[1微米]。

线性步进电机是一个完整的定位台,集成了电机、轴承和定位系统,紧凑小巧。将线性编码器与步进电机集成在一起,可以形成一个闭环系统。

H2W Technologies线性步进电机优点:

  • 低调和小截面
  • 高速
  • 低成本定位台解决方案
  • 无需伺服调谐
  • 单平台上多个施力器

 

H2W Technologies线性步进电机应用:

  • 拾取和放置
  • 引线键合机
  • 零部件转移
  • 光纤


H2W Technologies线性步进电机由2个主要部分组成:

  • 移动励磁组件:励磁组件由包含电机绕组、叠片堆和永久磁铁的铝制外壳组成。叠片的活性表面被开槽以形成具有0.040英寸[1毫米]节距的齿。线圈的两端引出至“D”连接器或悬空导线。励磁组件顶部表面的安装孔用于固定客户的有效载荷。励磁组件的宽度和长度会根据所需的力而有所不同。多个励磁组件可以与单个压盘一起提供,以允许独立移动的磁头。
  • 长型固定压盘:压盘是经过精磨的钢棒或管,带有0.020英寸[0.50毫米]宽的牙齿。压盘经过硬铬镀层,并填充环氧树脂,以提供一个平坦的空气轴承表面。压盘的宽度从1.25英寸到3.0英寸[31.8毫米到76.2毫米]不等。压盘的长度取决于行程。单件压盘最长可达144英寸[3.6米]。对于更长的行程,压盘将分段供应。

 

单轴线性步进电机 产品编号 图表

Related posts