代理美国H2W TECHNOLOGY步进XY定位台,H2W线性步进电机
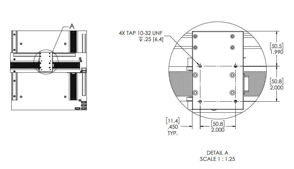
H2W TECHNOLOGY LSS-012-12-060-XY 是一款低矮线性步进XY定位台,使用H2W线性步进电机STS-0620-R产生6.0磅 [26.7 N] 的力,总行程长度为12.3英寸 [311毫米](每个轴)。使用一个小中间板,顶轴能够直接安装到移动的底轴电机上。这有助于减少系统的整体高度和移动质量。外侧轴承增加了系统的稳定性。移动电机有一根由u通道引导的高柔扁平电缆电源线。电机通过标准的9针D型微型连接器供电。它有一个归位定位传感器以及行程末端的橡胶缓冲停止装置。同时,还有允许客户电缆在可选电缆桥架内布线的安排。
H2W Technology是一家专注于运动控制领域线性和旋转运动产品设计与制造的公司。H2W总部位于美国新泽西州,成立于近八十年前。 其业务核心是为客户提供高效、高性价比的运动应用解决方案。
产品线
H2W Technology的产品线主要涵盖线性电机和旋转电机两大类。
- 线性电机:包括无刷直线电机、有刷直线电机、单轴与双轴直线步进电机、直线感应电机以及音圈执行器等。其中,其三相无刷直线电机(线性伺服电机)支持高速(最高可达每秒6米)、高精度、长行程的闭环伺服控制,分为无铁芯和有铁芯两种设计,以适应从高频短行程到重负载的不同应用需求。
- 旋转电机:提供有限转角力矩电机等产品。这类电机专为紧凑型、有限角度(通常小于180度)的旋转闭环伺服应用设计,其绕组方式无需换向,有助于简化系统并提高可靠性。
H2W TECHNOLOGY LSS-012-12-060-XY步进XY定位台规格:
| Motor P/N | STS-0620-R | |
| Stroke | 12.3 in | 311 mm |
| Encoder Supplied | None | |
| Bearing Type | Roller Bearing | |
| Forcer Mass | 0.85 lbs | 385 grams |
| Total Mass | 17.0 / 6.6 lbs | 7692 / 2986 grams |
| Resistance @ 20C | 2.4 ohms | |
| Inductance @ 20C | 3.0 mH | |
| Electrical Time Constant | 1.3 msec | |
| Force | 6.0 lbs | 26.7 N |
| Current | 2.0 amps | |
| Stage Length | 18.0 in | 457 mm |
| Stage Width | 17.0 in | 432 mm |
| Stage Height | 3.7 in | 94.0 mm |
H2W TECHNOLOGY LSS-012-12-060-XY步进XY定位台尺寸:


