奥地利ROITHNER,激光二极管,RLU4116E,375 nm – 442 nm,输出功率70毫瓦
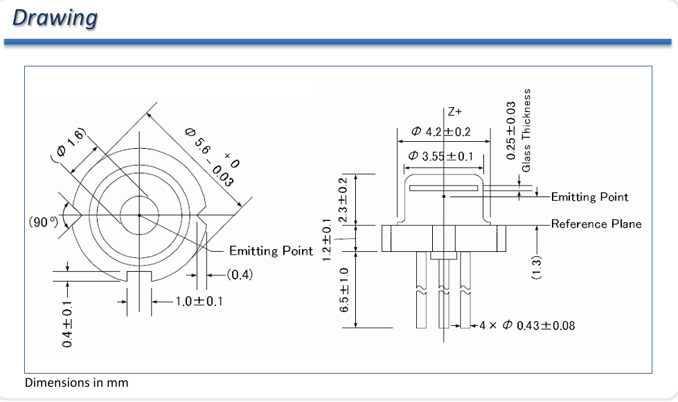
RLU4116E 是一款发射波长为 375 nm 的紫外激光二极管,标准 5.6mm TO 封装,额定输出功率为 70 mW。它具有集成光电二极管和静电放电(ESD)保护电路。

最大额定值

激光特性 (TCASE = 25°C, PO = 70 mW)






奥地利ROITHNER,激光二极管,RLU4116E,375 nm – 442 nm,输出功率70毫瓦
RLU4116E 是一款发射波长为 375 nm 的紫外激光二极管,标准 5.6mm TO 封装,额定输出功率为 70 mW。它具有集成光电二极管和静电放电(ESD)保护电路。

最大额定值

激光特性 (TCASE = 25°C, PO = 70 mW)




