代理Logosol LPA12FS-3晶圆预对准器,晶圆寻边台,晶圆寻边器,Logosol LPA系列晶圆校准器

Logosol LPA系列晶圆预对准器快速更换:

高吞吐量的预对准器,具有基于专有设计的快速更换功能,允许在销针水平以下进行晶圆夹具装载。

Logosol LPA12FS-3描述:

创新型高性能一体化设计,取消了外部控制器和互连电缆,同时保持即插即用兼容性。

基于专有设计的快速更换功能,可实现晶圆卡盘在针脚下方的装载。

先进的扫描电子系统,能够在不同晶圆尺寸之间无需机械重新定位即可检测透明、半透明和不透明的物体。

运动控制软件提供全面的常用命令集,实现与多种半导体平台的兼容性和接口对接。

典型对准循环时间小于五秒,有助于实现系统的最大产能。

Logosol LPA12FS-3规格

晶圆直径:300mm
晶圆不透明度:透明、半透明、不透明
方形基片:有限
晶圆处理方式:真空卡盘与被动针脚
居中精度:在预对准卡盘上 ±25 μm
角度精度(3 Sigma):

  • 10000 CPR 编码器:在预对准卡盘上 ±0.04°

  • 24000 CPR 编码器:在预对准卡盘上 ±0.02°

伺服轴数:三轴
主机通讯接口:RS232,Ethernet
最大初始晶圆偏移:12 mm
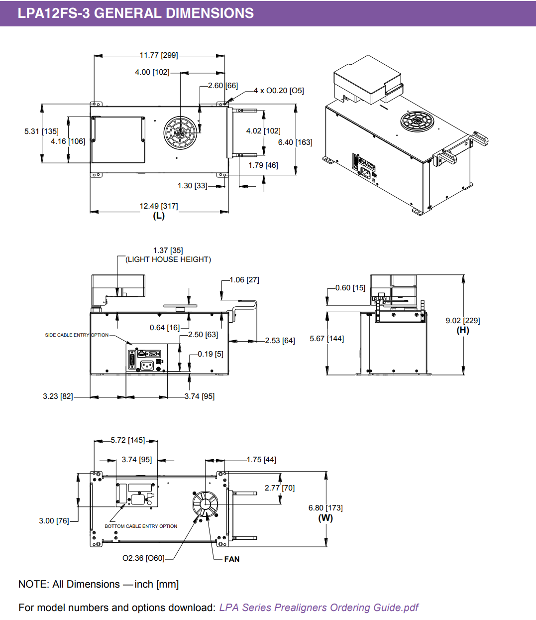
机身尺寸(宽 × 长 × 高):173 mm × 317 mm × 229 mm
占地兼容型号:LPA312-3LPA1218-3LPA8ET-3LPA12ET-3
重量:5.90 kg

所需设施:100–240 VAC,50/60 Hz,48 VA,或 24 VDC / 2A
真空:12 英寸汞柱(12″ Hg)

平边/缺口兼容性:符合 SEMI 标准
洁净度等级:Class 1
平均无故障时间(MTBF):超过 70,000 小时

Logosol LPA12FS-3尺寸:

https://www.bihec.com/logosol/代理Logosol LPA12FS-3晶圆预对准器,晶圆寻边台,晶圆寻边器,Logosol LPA系列晶圆校准器/


Related posts