进口代理 H2W Technologies TWR-008-800-2RC旋转式音圈电机
H2W Technologies Limited 角度扭矩电机非常适合紧凑型、有限角度(<180º)、旋转、闭-loop伺服应用。与传统的旋转刷和无刷电机不同,这些扭矩电机的绕组方式使得运动无需换向,从而简化了系统并提高了可靠性。
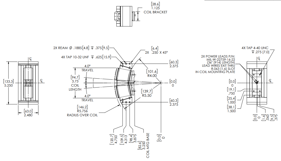
H2W Technologies TWR-008-800-2RC旋转式音圈电机规格:
| 连续扭矩范围 | 8度 | 0.14 弧度 |
| 总质量 | 76.8盎司 | 2177克 |
| 带轴承 | 不 | |
| 扭矩 @ 100% 负荷 | 800 in-oz | 559 N-cm |
| 10% 负载下的扭矩 | 2400 in-oz | 1695 N-cm |
| 功率 @ 100% 负载 | 50瓦 | |
| 功率 @ 10% 负载 | 150瓦 | |
| 扭矩常数 | 1 in-oz/amp | 2 N-cm/amp |
| 电机常数 | 1 in-oz/sqrt(watt) | 2 N-cm/sqrt(watt) |
| 电流 @ 100% 负载 | 2.45 安培 | |
| 电流 @ 10% 负载 | 7.35 安培 | |
| 电阻 @ 20°C | 8.3 欧姆 | |
H2W Technologies TWR-008-800-2RC旋转式音圈电机尺寸:

H2W Technologies Limited的有限角扭矩电机非常适合紧凑型、角度行程有限(<180º)、旋转式闭环伺服应用。与传统的有刷和无刷旋转电机不同,这些扭矩电机的绕组方式使得运动无需换向即可实现。其结果是一个更简单、更可靠的系统。
H2W Technologies是美国一家专注于运动控制领域线性和旋转运动产品设计与制造的公司,成立于近八十年前,总部位于美国新泽西州。该公司以高效、高性价比的解决方案著称,产品涵盖工业自动化、半导体制造、航空航天等多个领域。
H2W Technologies产品线
H2W提供全系列线性电机(包括步进电机、直流无刷电机、音圈执行器等)和滚珠丝杠、皮带传动定位平台,适用于单轴/多轴闭环伺服系统。其产品具有高速、高精度特点,部分型号支持数字伺服放大器、可编程控制器等配套方案。
H2W Technologies应用领域
主要应用于半导体制造、航空航天、汽车工业、医疗设备、包装机械等领域,尤其在无尘室环境和精密定位系统中表现突出。

