意大利Contrel elettronica ELRC-B内置环形变压器式漏电继电器 集成电流互感器

ELRC-B 内置环形变压器式漏电继电器

单动作阈值,模块化DIN导轨安装。故障安全型,集成直径28mm电流互感器

产品特性:
• A型漏电继电器
• 集成Ø28mm环形互感器
• 可配置故障安全模式
• 绿色电源LED指示灯(ON)
• 红色继电器跳闸LED指示灯(TRIP)
• 前面板TEST测试/RESET复位按钮
• 可配置自动或手动复位模式
• 模块化DIN壳体,6模数,配透明防护盖
• 防护等级:端子部分IP20,带盖前面板IP40

 

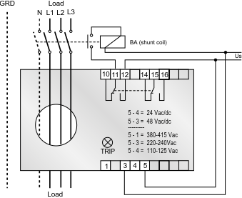
Wiring connection

 

Mechanical dimensions (mm)


Related posts