比利时 XERYON 微型线性平台XLS 系列XLS-5系列
XLS 系列压电线性载物台由我们的 Crossfixx™ 超声波电机驱动,为您提供两全其美的体验:
1)压电的精度和紧凑性
2)惊人的速度、行程和耐用性
我们所有的载物台都可以轻松组合成多轴设置,并提供真空兼容或非磁性版本。
| 高度: | 13 …16.8 毫米 |
| 宽度: | 34 …47.6 毫米 |
| 质量: | 40 …241 克 |
| 行程范围: | 10 …110 毫米 |
| 分辨率: | 1.25 微米 …5 纳米 |
| 最大速度: | 200 毫米/秒 |
| 最大定位频率: | 50赫兹 |
| 驱动力(=保持力): | 1 …5 N |
| 辈子: | > 1000 公里/典型值 20 磨机。周期 |
| 真空兼容性? | 自选 |
| 非磁体? | 自选。默认情况下不产生磁场。 |
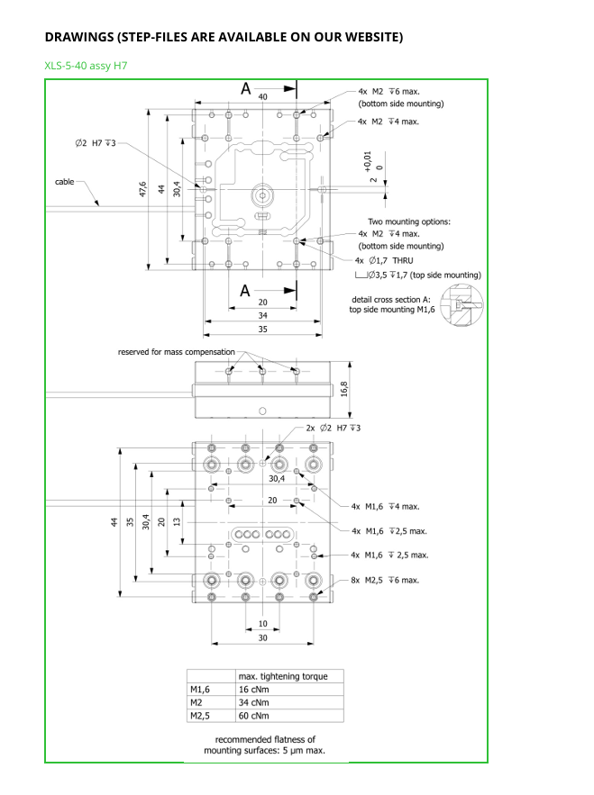
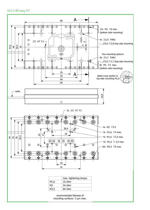
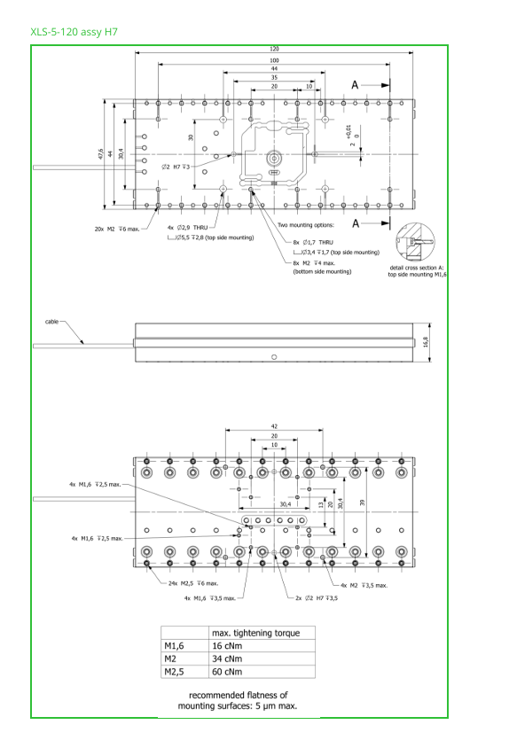
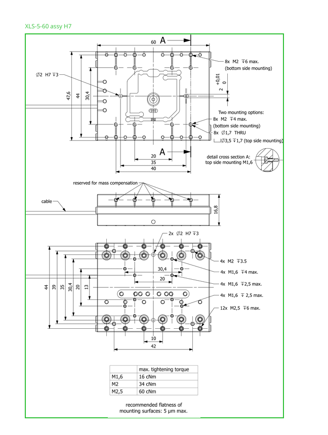
XLS-5 系列高推力精密直线压电平台 XLS-5 系列是采用超声波压电马达驱动的精密直线平台。这些平台将高速定位与纳米级精度相结合,并在小体积内产生高推力输出。Xeryon 的超声波压电马达确保了其使用寿命长、运行无噪音且无振动。此外,自锁压电马达在断电时可保持平台位置。减少的热量散失造就了非常稳定的纳米定位系统。XLS-5 广泛应用于各种行业和领域,例如零件对齐或样品操作。XLS-5 系列有不同长度可供选择,并且易于堆叠成 XY 或 XYZ 组合。










