特点(Features)
InGaAs/InP 吉格模式雪崩光电二极管(Geiger-Mode Avalanche Photodiode)
优化波长范围:1000 ~ 1600 nm
门控频率操作范围:10 MHz ~ 1 GHz
内置三阶段热电制冷器(3-stage TEC, Thermo-Electric Cooler)
应用(Applications)
单光子计数(Single Photon Counting)
量子加密(Quantum Cryptography)
激光测距仪(Laser Range Finder)
量子物理基础研究(Fundamental Studies in Quantum Physics)
单光子探测器(Single Photon Detector, SPD)
激光雷达传感(LIDAR Sensing)
SPAD 内置 TEC
(带尾纤 6 引脚 TO-8 单光子雪崩二极管)

概述(General Description)
该 InGaAs/InP 雪崩光电二极管(APD)器件 专为 单光子雪崩探测(SPAD) 及内置制冷系统而设计和制造。
可以在超过击穿电压的短时间内工作,这种工作模式称为 “吉格模式(Geiger-mode)”或“门控模式(Gated mode)”。
在 -40℃ 温度下,可实现超低噪声操作。
可用于 量子密钥分发(QKD)接收器。
特点(Features)
工作波长范围:1100 ~ 1600 nm
同轴尾纤(Coaxial type pigtail)
低噪声
6 引脚 TO-8 封装
内置 三阶段制冷系统(3-stage cooling system)
应用(Applications)
适用于需要 单光子计数 的特殊应用,如:
量子密钥分发(QKD)
光时域反射测量(OTDR)
其他高灵敏度单光子探测场景
绝对最大额定值(Absolute Maximum Ratings)
参数(Parameter) 条件(Conditions) 最大值(Max) 单位(Unit) 正向电流(Forward Current) 连续偏置(Continuous bias) 1 mA 正向电压(Forward Voltage) 连续偏置(Continuous bias) 1 V 反向电流(Reverse Current) 连续偏置(Continuous bias) 1 mA 反向电压(Reverse Voltage) 连续偏置(Continuous bias) VBR V 反向电压(RF Bias,门控模式) 门控模式(Gated mode) VBR + 10 V 光输入功率(Optical Input Power) 连续光(Continuous wave) 1 mW TEC 电流(TEC Current) @27℃, 真空 2.6 A TEC 电压(TEC Voltage) @27℃, 真空 2.0 V 热敏电阻(Thermistor) @25℃ 2.2 kΩ 光电特性(Electro-Optical Characteristics)
产品交付时应附带 检验表(Inspection Sheet),并提交 纸质和电子测试报告。报告应包含以下主要项目:
光学特性(Optical Characteristics, Tc = 25℃)
参数(Parameter) 符号(Symbol) 测试条件(Test Condition) 最小值(Min) 典型值(Typ.) 最大值(Max) 单位(Unit) 击穿电压(Breakdown Voltage) VBR ID = 10 μA 60 70 80 V 总暗电流(Total Dark Current) ID VR = 0.98 VBR — 1 — μA 电容(Capacitance) CPD f = 1 MHz, VPD = 0.9 VBR — 0.1 — pF 量子效率(Quantum Efficiency) η M = 1, λ = 1550 nm — 70 — % 光学波长范围(Optical Wavelength Range) λ — 1100 — 1600 nm 响应度(Responsivity) R λ = 1550 nm, M = 1 0.7 0.8 — A/W 击穿电压温度系数(Temperature Coefficient of VBR) Γ ΔVBR/ΔT — 0.11 — V/°C 光学特性(Optical Characteristics, Tc = -40℃)
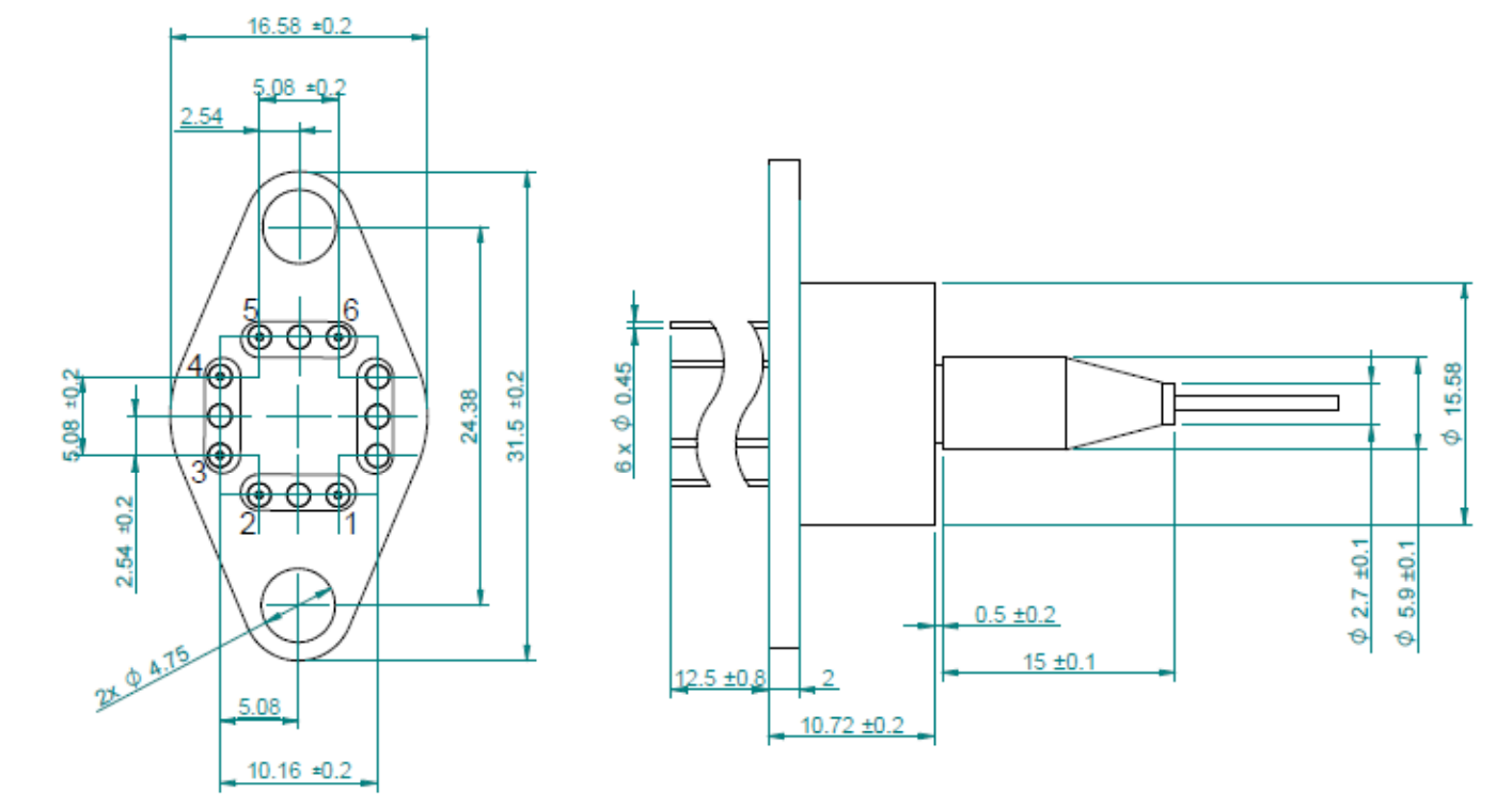
参数(Parameter) 符号(Symbol) 测试条件(Test Condition) 最小值(Min) 典型值(Typ.) 最大值(Max) 单位(Unit) 后脉冲概率(Afterpulse Probability) APP 10 MHz 门控频率,2 ns 门控脉冲,PDE = 20% — — 10 % 暗计数率(Dark Count Rate) DCR 10 MHz 门控频率,2 ns 门控脉冲,PDE = 20% — 0.5 — kHz 探测效率(Detection Efficiency) PDE 10 MHz 门控频率,2 ns 门控脉冲 20 — — % 机械尺寸与引脚排列

其他要求(Other Requirements)
使用注意事项(Precautions for Use)
本器件对 静电放电(ESD, Electrostatic Discharge) 十分敏感,操作不当可能导致器件损坏。
在操作或测试 InGaAs PIN/APD 或其他结型光电二极管时,应使用:
接地腕带(Ground Strap)
防静电垫(Anti-static Mat)
以及其他标准 防静电保护设备(ESD Protective Equipment)。
器件引脚的焊接温度不应超过 350℃,且持续时间不得超过 3 秒。
