

SPAD 内置 TEC Mini-Flat 型
安装于带散热器一体化外壳的评估板上
一般说明(General Description)
这款 InGaAs/InP 雪崩光电二极管(Geiger 模式 APD) 专为 单光子雪崩探测(SPAD) 应用设计并制造,内部集成了冷却系统。
该器件可在击穿电压以上的短时间内工作,这种工作方式称为 “Geiger 模式” 或 “门控模式(Gated Mode)”。
在 –40℃ 的工作温度下可实现超低噪声性能。
该器件可用于 量子密钥分发(QKD) 接收机等应用。
产品特点(Features)
工作波长范围:1100 nm – 1600 nm
低噪声性能
内置 三阶制冷系统(3-stage TEC)
应用领域(Applications)
量子密钥分发(QKD) 系统
其他需要单光子计数的专用应用
绝对最大额定值(Absolute Maximum Ratings)
(此部分用于列出如反向电压、工作温度、存储温度、电流、功耗等参数)
| 参数 (Parameter) | 条件 (Conditions) | 额定值 (最大) Rating (Max.) | 单位 (Unit) |
|---|
| 正向电流 (Forward Current) | 连续偏置 (Continuous bias) | 1 | mA |
| 正向电压 (Forward Voltage) | 连续偏置 (Continuous bias) | 1 | V |
| 反向电流 (Reverse Current) | 连续偏置 (Continuous bias) | 1 | mA |
| 反向电压 (Reverse Voltage) | 连续偏置 (Continuous bias) | VBR | V |
| 射频偏压 (RF Bias, 门控模式) | (Gated mode) | VBR + 10 | V |
| 光输入功率 (Optical Input Power) | 连续波 (Continuous wave) | 1 | mW |
| 热电制冷器电流 (TEC Current) | @27℃,真空环境 (Vacuum) | 2.6 | A |
| 热电制冷器电压 (TEC Voltage) | @27℃,真空环境 (Vacuum) | 2.0 | V |
| 热敏电阻阻值 (Thermistor) | @25℃ | 10 | kΩ |
| 存储温度 (Storage Temperature) | – | -40 ~ +85 | ℃ |
电光特性(Electro-Optical Characteristics)
产品交付时应附带 检验表(Inspection Sheet)。
测试报告应以 纸质和电子形式 提交,并应包含以下主要项目。


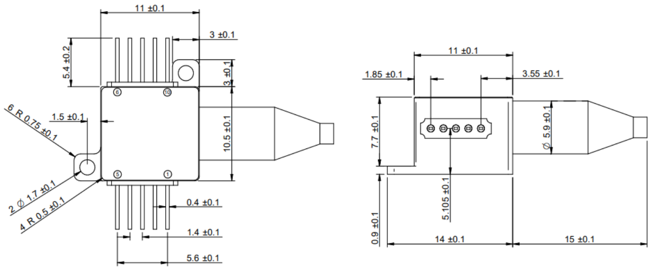
机械尺寸与引脚布局


其他要求(Other Requirements)
使用注意事项(Precautions for Use)
本器件对 静电放电(ESD, Electrostatic Discharge) 十分敏感,操作不当可能导致损坏。
在操作或测试 InGaAs PIN/APD 或其他结型光电二极管时,应使用:
接地腕带(Ground Strap)
防静电垫(Anti-static Mat)
以及其他标准 防静电保护设备
焊接引脚时,焊接温度 不应超过 350℃,且持续时间 不得超过 3 秒