RLT520-300MGE 绿色激光二极管
绿色激光二极管
波长 520 nm,功率 300 mW
多横模
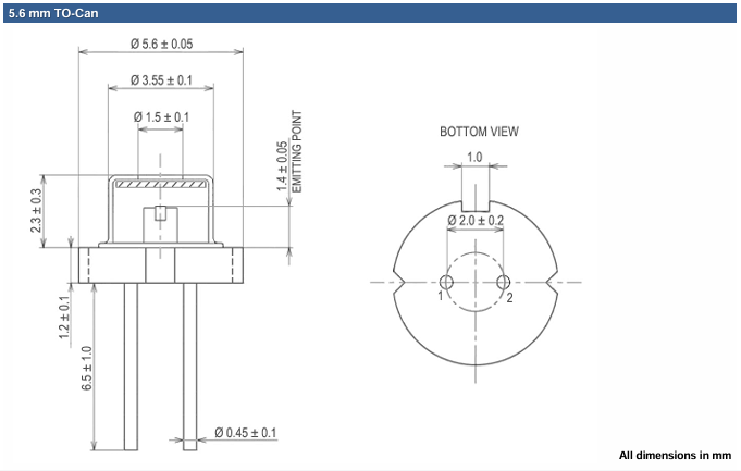
5.6 mm TO 封装
产品描述
RLT520-300MGE 是一款基于 InAlGaN 结构的绿色多横模激光二极管,典型发射波长为 520 nm,输出功率为 300 mW,最高允许工作温度为 60°C。RLT520-300MGE 采用 5.6 mm TO 型封装。
最大额定值*
| 参数 | 符号 | 最小值 | 数值 | 最大值 | 单位 |
|---|---|---|---|---|---|
| 工作温度* | TOPR | -10 | +60 | °C | |
| 存储温度* | TSTG | -40 | +85 | °C | |
| 激光二极管反向电压 | UR | 2 | V | ||
| 焊接温度(最长 3 秒) | TSOL | +265 | °C |
接近或超出这些条件运行可能会损坏器件
光电特性(外壳温度 TCASE=25∘C)
| 参数 | 符号 | 最小值 | 数值 | 最大值 | 单位 | |
|---|---|---|---|---|---|---|
| 峰值波长 | λP | 515 | 520 | 530 | nm | |
| 光输出功率 (CW) | PO | 300 | mW | |||
| 光谱宽度 (FWHM) | Δλ | 2 | nm | |||
| 工作电压 | UF | 5.5 | 6.5 | V | ||
| 阈值电流 | Ith | 120 | 400 | mA | ||
| 工作电流 | Iop | 500 | 800 | mA | ||
| 斜率效率 | ηs | 0.8 | W/A | |||
| 光束发散角 (FWHM) | 平行方向 垂直方向 | Θ<sub>∥</sub> Θ<sub>⊥</sub> | 10 22 | deg. |
电气连接

| 引脚配置 | 底视图 |
|---|---|
| 引脚编号 | 功能 |
| 引脚 1 | 激光二极管阳极 (LD anode) |
| 引脚 2 | 激光二极管阴极 (LD cathode) |

外形尺寸

