进口代理PIEZO S118-J1SS-1808Y压电弯曲传感器、压电执行器、压电薄膜传感器
Piezoelectric Bending Transducer
尺寸为 2.18 x 0.92 x 0.018 英寸的 PZT 5J 压电材料,采用单层结构设计,并配有密封式安装方式。
这种单层材料适用于能量收集和传感领域,同时也具备出色的谐振驱动器性能。不过,它并不适合需要高输出力的应用场景。与其它产品不同,该材料并未配备安装孔和对准孔。
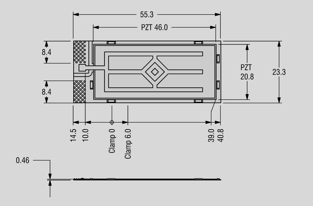
PIEZO S118-J1SS-1808YB 压电执行器尺寸规格

PIEZO S118-J1SS-1808YB 压电执行器层次结构技术规格
| 分层材料 | 厚度单位:密耳/毫米 |
| 聚酯纤维 | 2.0 / 0.05 |
| 铜 | 1.4 / 0.03 |
| PZT 5J | 6.0 / 0.15 |
| 304不锈钢 | 6.0 / 0.15 |
| 聚酰亚胺 | 1.0 / 0.03 |
PIEZO S118-J1SS-1808YB 压电执行器一般技术规格
| 参数 | 技术规格 |
| 长度(毫米) | 55.4 |
| 宽度(毫米) | 23.4 |
| 厚度(毫米) | 0.46 |
| 温度范围 | -60°C至120°C |
| 质量(克) | 2.8 |
| 电容值(纳法) | 100 |
| 额定驱动电压(±V)是在谐振状态下测得的。 | 120 |
| 自由偏转量(±毫米) | 0.48 |
| 阻尼力(牛顿) | 0.14 |
| 弹簧刚度(N/mm) | 0.299 |
| 最大振幅(毫米) | 2.0 |
| 共振频率(赫兹) | 100 |
| 共振时的最大驱动电压(伏特) | 10.0 |
Harvester / 发生器规格
| 规格 | No tip mass (unloaded) |
| EH谐振频率 (Hz) | 130 |
| 开路输出 (+/- Volts/G) | 6 |
| 电阻器负载 (Ohm) | 15700 |
| Power @ Rated G (mW) | 0.7 |
| G rating (+/- G’s) | 8 |
