进口代理PIEZO Q220-A4BR-1305YB 压电弯曲传感器、压电执行器、压电薄膜传感器、PIEZO压电弯曲传感器
PIEZO Q220-A4BR-1305YB 压电弯曲传感器
Piezoelectric Bending Transducer
尺寸为 1.25 x 0.5 x 0.02 英寸的 PZT 5A 材料制成的双层压弯器,具备快速安装功能。
一种由两层压电材料构成的执行器,在其中一层材料膨胀而另一层材料收缩时会产生弯曲效果。这类传感器通常被称为“弯曲器”、“双压电元件”或“挠性驱动器”。其典型的运动范围为数百到数千微米,产生的弯曲力则在数十到数百克之间。
将黄铜垫片夹在两层压电材料之间,是一种经济实用的方法,可用于制造结构坚固的驱动器。
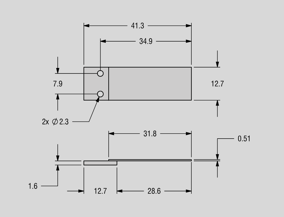
PIEZO Q220-A4BR-1305YB 压电弯曲传感器尺寸规格

PIEZO Q220-A4BR-1305YB 压电弯曲传感器层次结构技术规格
| 分层材料 | 厚度单位:密耳/毫米 |
| PZT 5A | 7.5 / 0.19 |
| 胶水 | 0.5 / 0.02 |
| 黄铜 | 5.0 / 0.13 |
| 胶水 | 0.5 / 0.02 |
| PZT 5A | 7.5 / 0.19 |
技术规格
| 参数 | 技术规格 |
| 长度(毫米) | 31.8 |
| 宽度(毫米) | 12.7 |
| 厚度(毫米) | 0.51 |
| 温度范围 | -60°C至140°C |
| 质量(克) | 2.3 |
| 电容值(纳法) | 52 |
| 额定驱动电压(±V)是在谐振状态下测得的。 | 90 |
| 自由偏转量(±毫米) | 0.32 |
| 阻尼力(牛顿) | 0.24 |
| 弹簧刚度(N/mm) | 1.77 |
| 最大振幅(毫米) | 0.66 |
| 响应时间(毫秒) | 0.64 |
| 共振频率(赫兹) | 275 |
| 共振时的最大驱动电压(伏特) | 11.5 |
Harvester / Generator/技术规格
| 参数 | 无附加质量(未加载状态) |
| EH共振频率(赫兹) | 420 |
| 开路输出电压(±伏特/吉) | 37 |
| 电阻负载(欧姆) | 2250 |
| 额定功率(兆瓦) | 17.1 |
| G级(±G级) | 8 |
