LOGOSOL LPA26-3-V23P1-S23-S-V500P 2″ to 6″晶圆预对准器
独立式高精度对准设备,适用于45毫米至480毫米工件(含方形及双层基板),具备多尺寸工件单单元处理能力,无需机械重新定位,支持卡盘装载与针式装载双模式,可提供高精度选项。
LOGOSOL STANDALONE预对准器是一种能够独立工作、不需要集成到更大设备中即可完成高精度定位校准的设备。它主要用于半导体制造等领域,负责将晶圆、掩模版等工件精确地定位到预设的位置和角度,以便进行后续的光刻、检测等关键工艺步骤。
LOGOSOL LPA26-3-V23P1-S23-S-V500P 2″ to 6″晶圆预对准器规格:

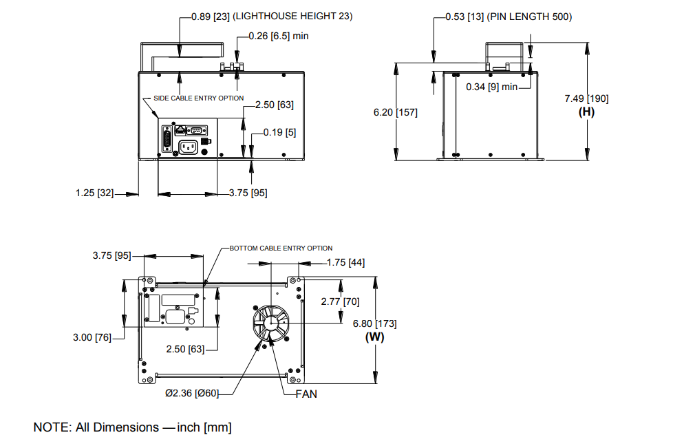
LOGOSOL LPA26-3-V23P1-S23-S-V500P 2″ to 6″晶圆预对准器图纸:


