See-Flo® 流量计用于指示流量,并可对水、空气或其他透明流体进行目视检查。
在一般工业应用中,See-Flo® 流量计可处理各种工艺流体,并适用于垂直或水平管道。流量计外壳的楔形设计使其几乎能自清洁。当需要定期维护时,可轻松拆卸和更换钢化玻璃窗口。
产品特点:
可即时测量流量
可观察流体的颜色、清晰度及流动状态
可用于水平或垂直管道系统
针对流体及工况条件单独校准
用户可选择 10:1 的量程比流量范围(参见流量计量程表)
用户可选择测量单位,包括双单位显示
无需浮子,避免卡滞、管体破裂或动密封泄漏
压力损失低
设计简洁、零部件少,使用寿命长
说明:
Armor-Flo™ 流量计是变面积流量计(“转子流量计”)。See-Flo® 流量计同样属于变面积流量计(“转子流量计”)。其壳体内部容积自入口至出口逐渐增大。主要测量元件为一块钢化合金叶片,一端固定在流量计外壳的顶点。随着流量变化,叶片会按比例弯曲。
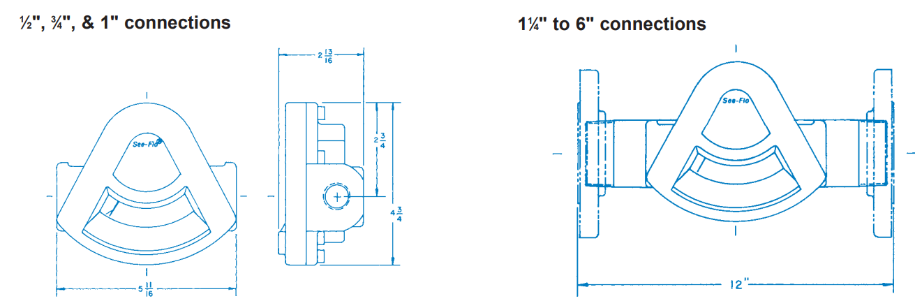
接口规格:
1/2”、3/4”、1” 接口通常为内螺纹端
1 1/4” 至 12” 的规格采用整体旁通壳体设计,使其能在 12 英寸统一端对端长度的形式下提供更大尺寸的接口
该设计还允许多种连接方式,包括螺纹、法兰、沟槽端以及卡箍式连接
技术参数
精度与重复性
精度:±2% 满量程
重复性:±1% 满量程
刻度
直接读数
分辨率:最大 30 划分 / 最小 15 划分
量程比
10:1 可调流量范围
材质
壳体:铝、黄铜、70/30 铜镍合金、316 不锈钢
分流器:同壳体材质或碳钢
窗口:钢化玻璃或聚碳酸酯
叶片:钴/铬/镍合金,带聚四氟乙烯(Teflon®)封装磁铁
“O”形圈:丁腈橡胶(buna-n)、乙烯丙烯、Viton® 或全氟弹性体
管道连接方式
1/2″ 至 1″ 内螺纹(NPT Female)
1 1/4″ 至 4″ 外螺纹(NPT Male)
1 1/2″ 至 3″ 三夹式(Tri-clamp)
1 1/4″ 至 6″ 沟槽式(Grooved)
1 1/4″ 至 6″ 倾斜式(Beveled)
1/2″ 至 8″ 150# / 300# RF/FF ANSI 法兰(碳钢)
1/2″ 至 8″ 150# RF ANSI 法兰(不锈钢)
1/2″ 至 6″ 150# RF ANSI 法兰(铝)
1/2″ 至 6″ 150# FF ANSI 法兰(黄铜)
15 至 25 mm DIN 2999 / BS21 / ISO R7 内螺纹
15 至 150 mm DIN PN 10 法兰(316 不锈钢 & 碳钢)
压力限制
200 psig(13.8 bar)
温度限制
聚碳酸酯窗口:-23 至 85°C(-10 至 185°F)
丁腈橡胶“O”圈:-23 至 121°C(-10 至 250°F)
Viton®、乙烯丙烯或全氟弹性体“O”圈:-23 至 121°C(-10 至 250°F)

